
|
鎵ц鏍囧噯
|
GB10190锕慖EC 60384-16 | |
|
姘斿€欑被鍒?/div>
|
40/85/21 | |
|
棰濆畾鐢靛帇
|
250VDC锝?30VDC | |
|
瀹归噺鑼冨洿
|
1渭F锝?0渭F | |
|
瀹归噺鍋忓樊
|
卤5%锛圝锛夈€伮?0%锛圞锛? | |
|
鑰愮數鍘?
|
鏋侀棿
|
1.6*UR锛圴DC锛?10s |
|
缁濈紭鐢甸樆(20鈩?
|
鏋侀棿
|
鈮?0000M惟, CR鈮?.33渭F (100Vdc,60s) 鈮?500S , CR >0.33渭F (100Vdc,60s) |
|
鏋佸3
|
鈮?00000M惟 (100Vdc,60s) | |
|
鎹熻€楄姝e垏(20鈩?
|
鈮?.002(1KHz) | |
|
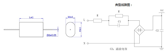
甯哥敤瑙勬牸
|
鍗曚綅锛歮m
|
|||||||||
|
鐢靛帇
|
250/275VDC
|
400VDC
|
630VDC
|
|||||||||
|
瀹归噺
|
L
|
W
|
H
|
肖d
|
L
|
W
|
H
|
肖d
|
L
|
W
|
H
|
肖d
|
|
1.0渭F
|
25
|
5.0
|
12
|
0.8
|
25
|
8.0
|
14
|
0.8
|
25
|
11.5
|
19
|
0.8
|
|
1.2渭F
|
25
|
6.5
|
13
|
0.8
|
25
|
9.0
|
15
|
0.8
|
25
|
13.5
|
19
|
0.8
|
|
1.5渭F
|
25
|
7.5
|
14
|
0.8
|
25
|
10
|
16.5
|
0.8
|
25
|
14.5
|
22
|
0.8
|
|
2.0渭F
|
25
|
9.0
|
15.5
|
0.8
|
25
|
12
|
18.5
|
0.8
|
25
|
14
|
22
|
0.8
|
|
2.2渭F
|
26
|
9.5
|
15.5
|
0.8
|
25
|
13
|
19
|
0.8
|
31
|
16
|
22.5
|
0.8
|
|
2.5渭F
|
26
|
10.0
|
16.5
|
0.8
|
25
|
14
|
20
|
0.8
|
31
|
17
|
23.5
|
0.8
|
|
3.3渭F
|
26
|
12
|
18
|
0.8
|
31
|
13
|
19.5
|
0.8
|
31
|
20
|
26.5
|
0.8
|
|
3.5渭F
|
26
|
12.5
|
18.5
|
0.8
|
31
|
13.5
|
20
|
0.8
|
36
|
18.5
|
24
|
0.8
|
|
4.0渭F
|
26
|
13.5
|
19.5
|
0.8
|
31
|
15
|
21
|
0.8
|
36
|
19.5
|
26
|
0.8
|
|
4.7渭F
|
26
|
14.5
|
21
|
0.8
|
31
|
16
|
22.5
|
0.8
|
36
|
21.5
|
28
|
0.8
|
|
5.6渭F
|
31
|
14
|
20
|
0.8
|
31
|
18
|
24
|
0.8
|
36
|
24
|
30
|
0.8
|
|
6.8渭F
|
31
|
15.5
|
21.5
|
0.8
|
31
|
20
|
26.5
|
0.8
|
46
|
22
|
28
|
0.8
|
|
8.2渭F
|
31
|
17
|
23.5
|
0.8
|
36
|
19.5
|
26
|
0.8
|
46
|
24.5
|
30
|
0.8
|
|
10.0渭F
|
31
|
19.5
|
25.5
|
1.0
|
36
|
22
|
28.5
|
1.0
|
46
|
26.5
|
33
|
1.0
|